-

Почему выбирают нас?

Современное оборудование: высокоточные 3D-сканеры, координатно-измерительные машины, профессиональные CAD/CAM-системы.

Команда сертифицированных специалистов: каждый инженер — эксперт в своей области.

Гарантия точности до 0,01 мм: мы обеспечиваем максимальную достоверность цифровых моделей.

Преимущества реверс-инжиниринга

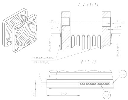
Реверс-инжиниринг — это технология обратного проектирования, позволяющая создать точную цифровую копию изделия на основе его физического образца. Это идеальное решение для предприятий, столкнувшихся с устаревшим оборудованием, отсутствием документации или необходимостью модернизации производства.

Почему стоит выбрать реверс-инжиниринг?

Восстановление утерянной документации

Если чертежи, спецификации или CAD-модели безвозвратно утеряны — мы воссоздадим их с высокой точностью.

Снижение простоев и зависимости от поставщиков

Больше не нужно ждать иностранные комплектующие или искать недоступные запчасти. Мы изготавливаем точные аналоги деталей «с нуля» — быстро и надежно.

Экономия времени и бюджета

Исключаем необходимость полной разработки с чистого листа. Реверс-инжиниринг сокращает сроки проектирования на 40–60% и значительно снижает издержки.

Защита интеллектуальной собственности

Все созданные модели и документы остаются исключительно вашей собственностью. Мы гарантируем полную конфиденциальность и не передаем данные третьим лицам.

Наши услуги

Комплексный реверс-инжиниринг

  • Полное измерение 3D-геометрии
  • Анализ условий работы детали в узле
  • Исследование свойств материала
  • Создание 3D-модели детали
  • Разработка конструкторской документации по ЕСКД

Создание 3D-моделей

  • Измерение детали заказчика
  • Создание 3D-модели детали по результатам измерений

Контроль геометрии деталей

  • Высокоточный контроль геометрии
  • Измерение универсальным инструментом деталей простой геометрии (точность до 10 мкм)
  • Высокоточные измерения деталей простой и сложной конфигурации (точность до 2 мкм)

Анализ материалов и поверхности

  • Определение свойств материала (химический состав, твердость, структура)
  • Измерение параметров поверхности

Для кого мы работаем?

  • Машиностроение и станкостроение
  • Энергетика и нефтегазовый сектор
  • Производители с устаревшими или снятыми с производства линейками продукции

Готовы начать?

Свяжитесь с нами уже сегодня — и мы поможем вернуть ваше оборудование в строй, восстановить утерянные детали и вывести производственные процессы на новый технологический уровень.

реверс-инжиниринг